Google Translate Element
domingo, 22 de septiembre de 2013
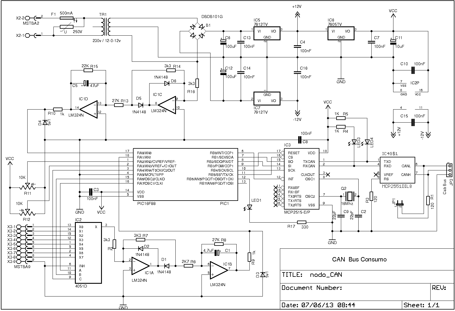
Nodo Can-bus consumo
El primer nodo mide la tensión de red y el consumo eléctrico de 5 lineas, para ello se usan transformadores de intensidad en mi caso 5 TA17L-04 de 0-20A y una relación de 2000:1 obteniendo una corriente de salida de 0-10mA, (según la resistencia que se le conecte al transformador se obtendrá la tensión de salida referente a la corriente consumida). El diseño está realizado con Eagle y podéis descargar como siempre el CAD y PCB, más adelante pondre el codigo para el microprocesador PIC16F88 con las librerías para CAN-bus.
Suscribirse a:
Enviar comentarios (Atom)

No hay comentarios:
Publicar un comentario